Welcome to Khalid Nehar Al Shamry Trading Est. | [email protected]

Shopping Cart

Wishlist

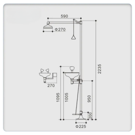
EMERGENCY EYE WASH SHOWER DOUBLE INLET

The Cylinder Trolley-Single is designed for easy transportation of gas cylinders in industrial and medical settings. Built with a durable frame and sturdy wheels, it ensures safety and convenience during movement. Ideal for welding, construction, and healthcare applications, it simplifies cylinder handling and minimizes workplace risks.

The Emergency Eye Wash Shower Double Inlet provides essential first aid for chemical or hazardous material exposure. Designed for rapid activation, it features a dual-inlet system for enhanced water flow, ensuring thorough washing in emergencies. Built from corrosion-resistant materials, it guarantees durability in industrial and laboratory environments.

Key Features:

  • Dual inlet for steady water supply.
  • High-quality, corrosion-resistant construction.
  • Quick activation for immediate response.
  • Eye wash station and shower combined.
  • Complies with international safety standards.
  • Adjustable water flow for user comfort.
  • Easy installation and low maintenance.
  • Suitable for indoor and outdoor use.
  • Ideal for industrial and laboratory settings.
  • Ensures workplace safety and compliance.
SL NO Feature Key Feature Value
1
  • Kaedyn Fraser

    Lorem ipsum dolor sit amet, consectetur adipisicing elit. Tempora inventore dolorem a unde modi iste odio amet, fugit fuga aliquam, voluptatem maiores animi dolor nulla magnam ea! Dignissimos aspernatur cumque nam quod sint provident modi alias culpa, inventore deserunt accusantium amet earum soluta consequatur quasi eum eius laboriosam, maiores praesentium explicabo enim dolores quaerat! Voluptas ad ullam quia odio sint sunt. Ipsam officia, saepe repellat.

  • Jaydin Jones

    Lorem ipsum dolor sit amet, consectetur adipisicing elit. Tempora inventore dolorem a unde modi iste odio amet, fugit fuga aliquam, voluptatem maiores animi dolor nulla magnam ea! Dignissimos aspernatur cumque nam quod sint provident modi alias culpa, inventore deserunt accusantium amet earum soluta consequatur quasi eum eius laboriosam, maiores praesentium explicabo enim dolores quaerat! Voluptas ad ullam quia odio sint sunt. Ipsam officia, saepe repellat.

ADD A REVIEW

Your email address will not be published. Required fields are marked *